Van thủy lực điện từ 5/2 là một loại van điện từ khí nén dùng để cung cấp khí nén cho hệ thống thiết bị hỗ trợ đóng mở van và vận hành hệ thống. Được biết đến nhiều nhất là loại van 5/2 với chức năng đóng mở và định vị lại linh hoạt giúp tối ưu hóa hệ thống khí nén được điều khiển bằng dòng điện điện từ. Vậy để hiểu rõ hơn về van thủy lực điện từ 5/2, cấu tạo và nguyên lý hoạt động của nó, cùng Trường Linh Parts tìm hiểu thông qua bài viết dưới đây nhé.

Loại van này thường được sử dụng trong các hệ thống thủy lực tự động hóa để kiểm soát hướng dòng chất lỏng trong các thiết bị và máy móc. Bằng cách sử dụng điện từ, có thể điều khiển van một cách từ xa hoặc tích hợp vào hệ thống điều khiển tự động. Các vị trí làm việc khác nhau của van này cho phép bạn kiểm soát hướng dòng chất lỏng một cách linh hoạt, làm cho nó trở thành một thành phần quan trọng trong các quy trình tự động hóa và điều khiển trong ngành công nghiệp và tự động hóa.
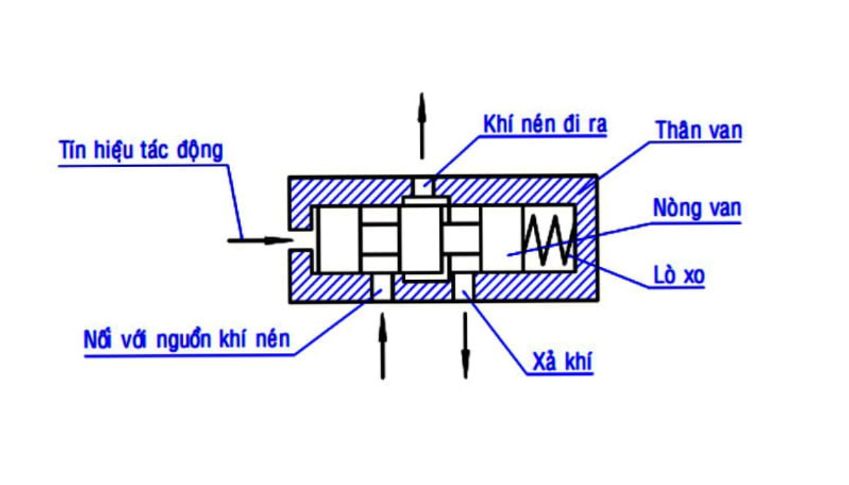
Thân Van (Valve Body): Thân van thường là một phần chính của van, thường được làm bằng vật liệu chịu được áp suất và chất lỏng thủy lực như thép không gỉ hoặc hợp kim. Thân van có các lỗ hoặc cổng cho phép chất lỏng chảy vào và ra khỏi van.
Nòng Van (Valve Spool): Nòng van là một phần quan trọng trong van. Đây là một bộ phận trục hình, thường được làm bằng thép hoặc hợp kim thép, và nó có vai trò kiểm soát luồng chất lỏng trong hệ thống. Nòng van có hai vị trí làm việc khác nhau và có thể di chuyển để chuyển đổi giữa các vị trí này.
Cuộn Dây Dẫn Điện (Solenoid Coil): Cuộn dây dẫn điện là một phần quan trọng của van thủy lực điện từ. Khi được kích hoạt bằng điện, cuộn dây tạo ra một trường từ, tác động lên nòng van để thay đổi vị trí của nó.
Thanh Trượt: Piston là một thanh trượt có thiết kế đặc biệt, thường làm từ vật liệu có độ bền cao như thép không gỉ. Thanh trượt này có thể di chuyển trong thân van để mở hoặc đóng các lỗ và kết nối dòng chảy chất lỏng.
Lò xo đàn hồi: Van thủy lực điện từ 5/2 thường có các lò xo để đảm bảo rằng khi solenoid không được kích hoạt, piston sẽ quay lại vị trí ban đầu để chuyển hướng dòng chảy chất lỏng.
Cơ Chế Điều Khiển (Control Mechanism): Cơ chế điều khiển là phần của van được sử dụng để kích hoạt cuộn dây dẫn điện. Nó có thể là một nút nhấn, cảm biến, hoặc thiết bị điều khiển điện tử.
Lỗ Điều Khiển (Control Ports): Van thủy lực điện từ 5/2 có các lỗ điều khiển ở hai phía của nòng van. Khi cuộn dây dẫn điện được kích hoạt, nó mở hoặc đóng các lỗ này để kiểm soát hướng dòng chất lỏng.

Cấu tạo này cho phép van thủy lực điện từ 5/2 kiểm soát hướng dòng chất lỏng bằng cách điều khiển vị trí của nòng van thông qua cuộn dây dẫn điện. Khi cuộn dây được kích hoạt bằng điện, nó tạo ra một trường từ, làm thay đổi vị trí của nòng van và do đó kiểm soát hướng dòng chất lỏng trong hệ thống thủy lực.
Vai trò của các cửa trên van điện từ 5/2:
Cửa 1 là cửa cấp khí vào van
Cửa 2 và 4 là cửa ra
Cửa 3 và 5 là cửa xả khí
Cổng số 1 được nối với cổng 2 khi van ở trạng thái van đóng (còn gọi là trạng thái bình thường). Trong trường hợp này, cổng 4 được thiết kế để kết nối với cổng 5. Điều này đặc biệt khi van được cấp nguồn. Khi khí nén được cung cấp cho van ở trạng thái mở hoàn toàn, cổng 1 và cổng 4 lần lượt được chuyển đổi, nhưng do hiện tượng đảo ngược xảy ra trước nên cổng 1 và cổng 4 được liên lạc với nhau. Trong khi cửa 2 được kết nối với cửa 3. Cửa 5 được khóa riêng.

Van thủy lực điện từ 5/2 thường được sử dụng để kiểm soát hướng dòng chảy của chất lỏng thủy lực trong các ứng dụng cụ thể. Số liệu "5/2" thường đề cập đến số lỗ và cách mà spool của van có thể điều khiển chất lỏng thủy lực trong năm trạng thái khác nhau.
Xem thêm: Van Điều Khiển Lưu Lượng Thủy Lực Là Gì? Phân Loại Và Cách Kiểm Tra
Các bài viết bạn có thể quan tâm:
10 Cách Làm Cho Chiếc Xe Của Bạn Bề Bỉ Nhất
Các Bước Thực Hiện Thay Lọc Dầu Và Dầu Động Cơ
Những Điều Cần Biết Về Phụ Tùng Cơ Giới Tách Riêng Và Nguyên Bộ
Nhấp nháy đèn Check Engine? Nguyên Nhân Và Cách Khắc Phục
Đèn Check Engine sáng sau khi thay dầu? Nguyên nhân và cách khắc phục
Nắp Dầu Động Cơ Và Những Điều Bạn Cần Biết
Phụ Tùng Cơ Giới Gần Nhất Tại TPHCM
Các Hư Hỏng Và Cách Chăm Sóc, Bảo Dưỡng Hệ Thống Bôi Trơn
Mua phụ tùng chính hãng các loại xe cơ giới, tham khảo tại: truonglinhparts.com & phụ tùng xe nâng tại: phutungxenanghang.net

Nhận tư vấn và đặt mua sản phẩm uy tín chất lượng tại:
CÔNG TY CỔ PHẦN PHỤ TÙNG TRƯỜNG LINH
Hotline: 0913 007 247
Địa chỉ: Số 19, đường số 10, khu phố 6, P. Hiệp Bình Chánh, TP. Thủ Đức, TP. HCM
Email: truonglinhparts9@gmail.com
Website: truonglinhparts.com
Facebook: fb.com/phutungtruonglinh